ABB 集团是电力和自动化技术的全球领导者,其产品与系统几乎覆盖发电和工业过程控制市场的每一个细分领域。ABB 研发部门拥有 8,500 名工程师和科学家,年投资额达 14 亿美元,致力于满足自动化行业对降低能耗、提高可靠性和性能的不断增长的需求。本文介绍的设计项目突显了 ABB 集团如何利用基于优化的开发方法来应对电子和软件组件所带来的复杂性。从最初的概念阶段就关注系统间的相互依赖关系,对于制定旨在最大化产品性能、满足可靠性要求并降低产品环境影响的有效策略至关重要。
主要成果
1:利用基于优化的开发方法,应对自动化和控制系统所带来的复杂性
2:最大化机电产品性能,满足可靠性要求,并降低整体环境影响
基于优化的超高性能双机器人 Xbar 冲压上下料机器人系统开发
行业挑战
工业机器人是集成硬件及日益增多的软件组件的复杂系统。子系统设计(齿轮箱、电机、传感器和制动器)以及各元件之间的交互(如机器接口、安全集成、现场总线、PCBA、电源和驱动模块)必须精心规划,以确保最佳性能。多年来,成本压力使机器人在物理规格方面变得商品化。在众多设计挑战中,对更轻量化组件的需求导致刚度降低,使得控制问题更加复杂。此外,许多第三方接口需要集成,产品必须符合软件、电气和机械质量标准。
ABB 经验
以 ABB 的旗舰机器人之一——双机器人 Xbar 冲压上下料机器人系统为例,工程师在 modeFRONTIER 中考虑了 18 个设计变量(代表齿轮扭矩、电机扭矩和电机转速),并管理了目标与约束,仅通过改变软件组件就实现了 12% 的节能。
“我们‘手动’优化这款机器人已有 30 年,它也是使用最广泛的机器人之一。借助 modeFRONTIER,我们能够识别出一种新的设计——无需任何实施成本——仅通过更改软件配置,在不影响性能的情况下实现了 12% 的节能。显然,这是手工无法完成的——你需要优化软件来完成。” ABB 全球研发经理 Daniel Wappling 博士表示。

收益
“随着仿真涵盖越来越多的系统而不仅仅是组件,管理机电一体化的能力变得越来越重要:力学、电子和软件的影响都需要被考虑。” Wappling 继续说道。ESTECO 技术与不断发展的研发需求保持同步,为设计人员提供了一个灵活的环境,处理复杂系统分析和优化的每一个关键步骤。如机器人示例所示,将虚拟控制模型插入仿真框架中,使设计人员能够应用优化方法、校准软件并识别零成本解决方案。
中压重合器的多目标优化
挑战
中压重合器现已成为重要的电网保护设备,用于连接不同的电网电源,提高网络/电网的可靠性,并实现架空线路的自愈和自动重构方案。随着可再生能源渗透率水平的提高,中压网络正变得双向化。因此,相关的开关设备必须确保对新型电力系统以及新型负载的保护。因此,中压重合器的优化设计对于实现卓越的开关能力至关重要。中压重合器的开关能力受多种参数影响,例如负责设备分合的驱动能量。因此,为了最大化重合器的使用寿命,建立优化的控制策略(尤其是与驱动能量相关的控制)至关重要。多目标优化的目标是识别用于分合操作的最佳驱动能量控制策略。

解决方案
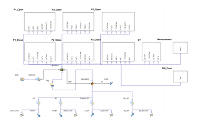
ABB 研发团队构建了一个两步优化框架,该框架首先在电磁执行器上工作并直接优化有限元模型,从而融入了能效约束。然后通过硬件在环(HIL)优化过程进行物理校准,完成数值仿真步骤,确保整个系统达到期望的性能。在第一次迭代中,modeFRONTIER 通过识别电磁系统的最佳可能配置,同时满足设计边界条件施加的约束,帮助改进了有限元模型。使用 COMSOL Multiphysics 创建的参数化有限元模型连接到 Matlab LiveLink,以便自动控制所有设计变更并按顺序控制两个模型,利用 modeFRONTIER 中 Matlab 的直接集成节点。在第二步中,研发团队选择对系统进行深入分析,将 modeFRONTIER 与仿真模型和硬件耦合,以进一步提升开关性能。硬件在环框架为整个重合器系统提供了一个研究环境。
得益于这种方法,优化可以应用于使用 CompactRIO/LabVIEW 实现的控制方案:运行一次完整的分合操作后,数据被传输到 Matlab 进行后处理,并重新插入循环中以供下一次运行使用。由于减少过行程和回弹行程对产品寿命极为重要,通过使用 modeFRONTIER 驱动硬件在环系统(进行了 1,500 次运行,采用来自第一步优化的选定参数进行试验设计),研发科学家们确定了一种新的控制方案,该方案能够显著延长产品寿命。“识别出的控制方案能够减少高达 50% 的过行程和回弹行程,从而显著提升使用寿命。” ABB 高级科学家 Octavian Craciun 表示。

最大化重合器使用寿命的行程曲线最优控制方案
ABB
ABB 是电力和自动化技术公司,致力于帮助公用事业和工业客户提升性能,同时降低环境影响。ABB 集团在约 100 个国家开展业务,拥有约 150,000 名员工。